泓嘉鑫环保
Hjx Environmental Protection
首页
关于我们
公司介绍
场地展示
资质证书
业务范围
废有机溶剂与含有机溶剂废物
废矿物油与含矿物油废物
油/水、烃/水混合物或乳化液
染料、涂料废物
有机树脂类废物
感光材料废物
表面处理废物
含汞废物
废碱
石棉废物
新闻资讯
公司新闻
行业动态
技术问答
联系我们
热搜关键词:
Qualification certificate
资质证书
当前位置:
首页
>
关于我们
>
资质证书
0
-
0
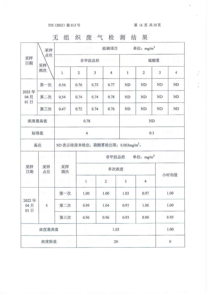
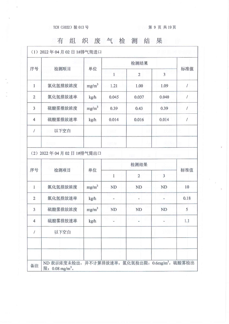
验收检测报告
产品品牌:泓嘉鑫
服务热线:13401570215
邮箱:zsw@jshjxhb.com
♦
特别说明:产品图片以及参数跟实际产品略有差异。
♦
定制说明:一切规格按照客户实际情况或考察后量身定制,支持非标定制。
♦
库存配送:有货,全国送货保障!
♦
温馨提示:本产品一经下单生产,非质量问题不支持退货!
联系我们
资质证书
上一个:
排污检测
下一个:排污检测
江苏泓嘉鑫环保再生资源利用有限公司
江苏泓嘉鑫环保再生资源利用有限公司成立于2019年9月30日,位于常州市武进区湖塘镇东升31号。根据《关于印发江苏省危险废物集中收集贮存试点工作方案的通知》(苏环办[2019]390号),为解决常州市范围内中小型产废企业少量危险废物无法得到正规化处置的矛盾,我公司从2019年10月开始筹备“危险废物···
业务范围
> 废有机溶剂与含有机溶剂废物
> 废矿物油与含矿物油废物
> 油/水、烃/水混合物或乳化液
> 染料、涂料废物
> 有机树脂类废物
> 感光材料废物
> 表面处理废物
> 含汞废物
> 废碱
> 石棉废物
> 其他废物
新闻资讯
友情链接: